POWER MIRIP OCL 150W KENWOOD KR5200

Pada tahun 1972 KENWOOD sudah membikin power amplifier yang diterapkan untuk amplifier radio.

Radio dengan poweramplifier di dalamnya ini memiliki output stereo 2 x 30Watt pada 8 Ohm ( LIHAT SINI BRO ).

Table of Contents

Pada tahun yang sama, masih banyak orang Indonesia yang tidak memiliki radio transistor. mereka rata rata masih mendengarkan radio dengan bahan komponen tabung buatan GALINDRA .


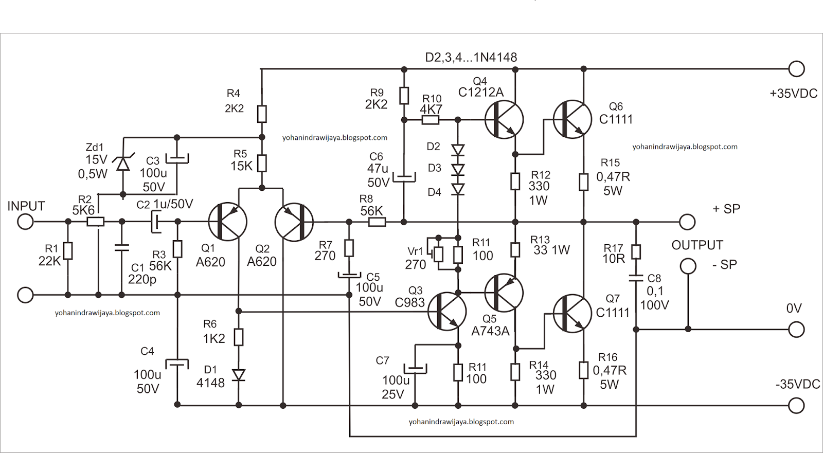
Berikut ini adalah skema dari amplifier radio buatan KENWOOD type KR5200 ini setelah saya edit.

Ini menunjukkan bahwa teknologi kita saat itu masih jauh tertinggal. Pada saat itu radio ini menggunakan band FM ( 88Mhz sampai 108 MHz). Di Indonesia FM Stereo masih belum masuk pada era 70-an.

SKEMA OCL 150W KENWOOD

OCL 150W KENWOOD KR5200
Seksi Power Amplifier OCL 150W KENWOOD KR5200

Skema Amplifier nya mengingatkan saya pada skema ampli OCL 150Watt. Power OCL ini hampir mirip dengan Power power yang beredar di Indonesia.Supplynya 35VDC simetris yang biasanya berasal dari travo dengan tap 24VAC CT.

Transistor yang tertera pada gambar bisa anda custom dengan nilai yang umum di pasaran.

Akan tetapi hasilnya saya belum tahu. Ini hanya gambar aslinya.

Semisal transistor A620 ganti dengan A733 atau B564, Q3 ganti dengan D438, Q4 ganti dengan TIP 31C, Q5 ganti dengan TIP 32C, Q6 dan Q7 ganti dengan TIP 3055 saya rasa sah sah saja, hanya hasil suaranya anda bisa menilai sendiri.

Menurut datasheets, transistor Finalnya ( C1111) memiliki kemampuan dissipasi sampai 50W saja, tegangan Collector Emitor maximum 80VDC, dan Arus Maksimum 6 Ampere dengan bentuk fisik TO-3 seperti 2N3055 jenis jengkol atau orang jawa bilang transistor OC.

Jika anda ingin merubah jenis polaritas transistor, misalnya Q1,Q2  ganti dengan C1815, Q3 dengan B506.

Q4 diganti TIP 32C, Q5 diganti TIP 31C, Q6 dan Q7 diganti dengan TIP 2955, maka anda harus merubah Polaritas tegangannya, yakni semua diode dan Elco dibalik, dan Supply utama nya ya harus ikut dibalik juga, + 35V dijadikan -35V, dan yang -35V diganti dengan +35V.

Saya rasa power OCL 150W KENWOOD KR5200 ini cocok untuk sound controll kecil kelas rumahan atau untuk eksperimen. Akan tetapi jika ada komponen aslinya, pasti mutu suara juga bagus. Masa tidak kenal dengan audio merk KENWOOD?

One thought on “POWER MIRIP OCL 150W KENWOOD KR5200

  1. Ping-balik: SKEMA AMPLI KENWOOD - kumpulan skema audio

Tinggalkan Balasan

Alamat email Anda tidak akan dipublikasikan. Ruas yang wajib ditandai *