Modifikasi Power Quasi menjadi 150W pada ELECTROMURES AS15201 bisa dilakukan dengan jalan menaikkan tegangan, ganti transistor dan langkah lainnya.
AS15201 sendiri adalah Power Amplifier buatan ELECTROMURES produsen audio dari RUMANIA pad era 80-an lalu.
Namun skema dari Power Amplifier ini masih memungkinkan untuk kita kloning menjadi power amplfiier era saat ini.
Table of Contents
SCHEMATIC DIAGRAM AWAL
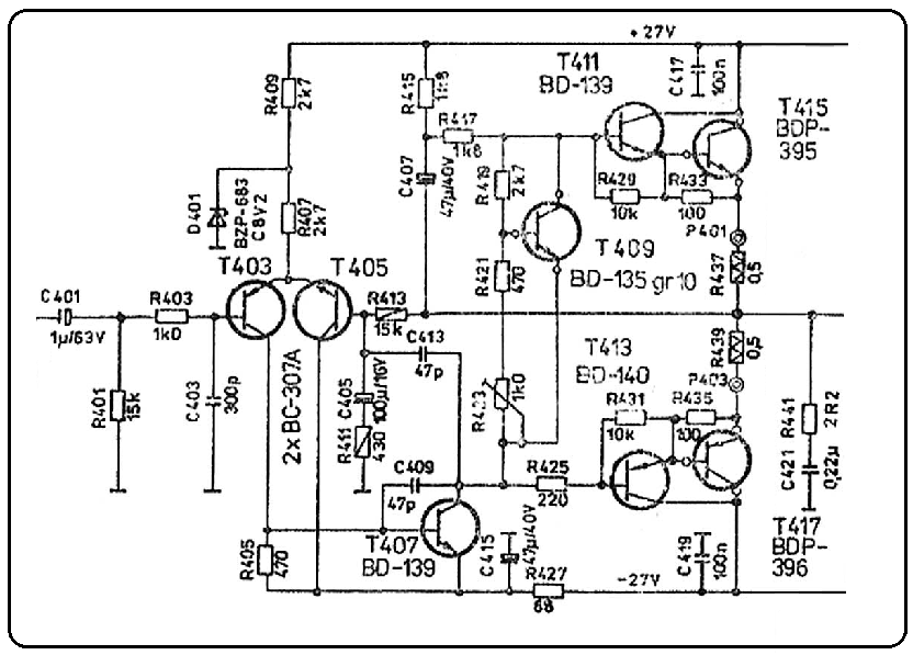
Di bawah ini adalah potongan skema Power Amplfieir Quasi buatan ELECTROMURES yang masih menggunakan gambar tangan.

Tegangan pada Power Amplifier ini hanya 20VDC simetris. Sebuah angka yang lumayan kecil untuk ukuran power amplifier saat ini.
POWER QUASI MENJADI 150W
Beberapa langkah untuk modifikasi skema di atas adalah sebagai berikut:
- Naikkan tegangan supply,
- Naikkan GAIN rangkaian,
- Tambahkan transistor Final 2N3055,
- Ubah beberapa komponen
Schematic Power Amplifier lainnya juga ada di YOHAN FROM INDONESIA.

