KLONING DRIVER POWER 80V AIWA XA950

Kloning Driver Power 80V AIWA XA950 adalah hasil kreasi kloning dan modifikasi rangkaian dari sebuah Power lawas buatan AIWA buatan era 90 lalu.

Aslinya, Power Amplfieir ini menghasilkan output hingga 150W pada beban 4 Ohm.

Penampakan isi dalam Power Amplifier LIHAT SINI.

SCHEMATIC AWAL

Berikut ini adalah skema awal dari AIWA XA950 seksi Power Amplifier:

skema bahan KLONING DRIVER POWER 80V AIWA XA950

Tegangan supply pada rangkaian Power adalah 48VDC.

Transistor final yang terpasang adalah jenis SANKEN 2SC2922 / 2SA1216 yang terkenal di negeri kita.

NAmun pada tulisan ini, Power ini akan saya jadikan Driver Power untuk men-Driver transistor Final Power hingga menghasilkan daya hingga 600W pada beban 4 Ohm.

SCHEMATIC VERSI DRIVER DAN MODIFIKASI 80V

Berikut adalah schematic Diagram hasil modifikasi rangkaian awal:

skema modif driver KLONING DRIVER POWER 80V AIWA XA950

Tidak banyak yang berubah , hanya mengganti nomer transistor dengan nomer yang lebih kuat.

LAYOUT PCB

Setelah itu saya membuat rancangan Layout PCB nya.

KLONING DRIVER POWER 80V AIWA XA950

PENAMPAKAN PCB

Simulasi 3D PCB adalah seperti berikut.

KLONING DRIVER POWER 80V AIWA XA950

Schematic AIWA lainnya juga ada di YOHAN FROM INDONESIA

VIDEO XA950 silahkan nonton YUTUB BART_AUDIO milik BARTOSZ ( jerman?)

KLONING POWER QUASI LANEY DELAPAN BUAH 2SC

Kloning Power Quasi LAney delapan buah 2SC disini adalah sebuah kloning Power dari produk ampli LANEY seri GC80 namun telah naik daya dan ada tambahan fitur.

Kloningan kali ini adalah membikin PCb Protoype nya dan memasang komponen sesuai dengan petunjuk.

Tulisan tentang GC80 pernah saya tulis di YOHAN FROM INDONESIA pada 14 september 2024 lalu dan kali ini saya modifikasi kembali karena ada beberapa komponen yang tidak sesuai dengan selera saya.

HASIL PROTOTYPE

Berikut ini adalah tampilan protoype LANEY GC80 yang telah ada fitur Subwoofer dan Tone Control berfitur Middle Sweep nya.

modul KLONING POWER QUASI LANEY DELAPAN BUAH 2SC

PENGGANTIAN TRANSISTOR YANG SULIT DIPEROLEH

Untuk informasi, saya terpaksa mengganti transistor pendukung rangkaian ini karena kesulitan memperleh nomer transistor ini.

Akhirnya saya menganti nomer transistor menjadi berikut:

  • BC212 ganti dengan 2N5401,
  • MPSA42 ganti dengan 2N5551,
  • BC237 ganti dengan 2N5551,
  • BC307AP ganti dengan 2N5401,
  • TIP31 ganti dengan 2SC2073,
  • TIP32 ganti dengan 2SA940.

Setelah transistor ini terpasang maka kita bisa melakukan tes modul ini.

modul KLONING POWER QUASI LANEY

HASIL TES MEJA

Tidak semua transistor Final saya pasang. Saya hanya pasang 1 set transitor yang ada komponen pengumpan OCP ( Over Curernt Protection ) saja.

Jika tes ini berhasil maka semua transistor akan kita pasang dan tegangan Supply kita naikkan ke angka yang lebih tinggi.

Pada modul ini menggunakan tegangan supply mulai dari 55VDC hingga 75VDC. Untuk membikin rangkaian ini optimal maka kita bikin 65VDC simetris.

Pada tes pertama ini menggunakan tegangan supply 35VDC simetris untuk bermain aman dan pencegahan kerusakan komponen transistor Final.

TEGANGAN OUTPUT MENDEKATI 0,00VDC

Ketika modul ini saya tes dengan tegangan 35VDC, Output terminal ke speaker terukur -0,06VDC. Ini masih aman. Namun ini harus kita sesuaikan untuk mendekati 0 mV.

TRANSISTOR VAS KEPANASAN

Pada tegangan tes 35VDC, transistor VAS mengalami kepanasan. Transistor yang terpasang adalah 2N5551 yang memiliki dissipasi daya 625mW menurut DATASHEETS.

Ketika saya pasang paralel transistor ini, panas transistor menghilang.

Ini berarti memerlukan dissipasi daya lebih dari 600mW pada transistor VAS.

MODIFIKASI ULANG KLONING POWER QUASI LANEY

Beberapa komponen yang terpaksa saya ubah adalah sama dengan yang telah saya jelaskan di atas, yaitu perubahan nomer transistor:

BC212, MPSA42, BC237, BC307AP, TIP31, dan TIP32.

Sedangkan komponen lainnya yang harus kita ubah adalah:

Potensio MID, arah putaran ternyata terbalik,

Komponen penentu freq middle diubah,

Sehingga skema berubah “SEDIKIT” menjadi seperti berikut:

SKEMA REVISI KLONING POWER QUASI LANEY DELAPAN BUAH 2SC

PERUBAHAN LAYOUT

Layout harus saya ubah kembali untuk menyesuaikan komponen transistor yang telah terpasang.

Hasil revisi Layout adalah menjadi seperti ini.

Bandingkan dengan Layout sebelumnya dibawah ini:

Berubah sedikit bukan?

Namun para ahli skema dan ahli PCB pasti paham dimana permbedaan 2 buah Layout PCB ini.

PERAKITAN ULANG KLONING POWER QUASI LANEY

Hasil Layout ini akan saya buatkan PCB kembali untuk pembikinan prototype.

Masih dalam proses.

Nanti apabila berhasil, tinggal mencetakkan prototype ini di tukang PCB terdekat.

Schematic LANEY lainnya ada di YOHAN FROM INDONESIA.

MODIFIKASI POWER QUASI MENJADI 150W PADA ELECTROMURES AS15201

Modifikasi Power Quasi menjadi 150W pada ELECTROMURES AS15201 bisa dilakukan dengan jalan menaikkan tegangan, ganti transistor dan langkah lainnya.

AS15201 sendiri adalah Power Amplifier buatan ELECTROMURES produsen audio dari RUMANIA pad era 80-an lalu.

Namun skema dari Power Amplifier ini masih memungkinkan untuk kita kloning menjadi power amplfiier era saat ini.

SCHEMATIC DIAGRAM AWAL

Di bawah ini adalah potongan skema Power Amplfieir Quasi buatan ELECTROMURES yang masih menggunakan gambar tangan.

POWER QUASI MENJADI 150W pada electromures as15201

Tegangan pada Power Amplifier ini hanya 20VDC simetris. Sebuah angka yang lumayan kecil untuk ukuran power amplifier saat ini.

POWER QUASI MENJADI 150W

Beberapa langkah untuk modifikasi skema di atas adalah sebagai berikut:

  • Naikkan tegangan supply,
  • Naikkan GAIN rangkaian,
  • Tambahkan transistor Final 2N3055,
  • Ubah beberapa komponen

Schematic Power Amplifier lainnya juga ada di YOHAN FROM INDONESIA.

POWER OTL 6 TRANSISTOR JVC MCA105E

Dengan mengharap biaya murah dalam membikin kloningan power , maka tulisan ini adalah catatan Ide Kloning Power OTL 6 transistor JVC MCA105E.

Alasan saya adalah rangkaian OTL masih relevan untuk kita buat karena sura middle nya berbeda dengan umumnya power OCL.

Power Amplfiier ini masih cocok untuk telinga penggemar audio lawas.Ia menghasilkan output hingga 36W untuk beban 4 Ohm secara OTL.

Rencananya komponen transistor pada rangkaian ini akan saya ganti dengan nomer yang tersedia di pasaran.

SCHEMATIC AWAL

Di bawah ini adalah potongan skema dari amplifier lawas JVC MCA105E.

SKEMA POWER OTL 6 TRANSISTOR JVC

Tegangan supply untuk rangkaian ini adalah catu tunggal 68VDC. Angka ini adalah angka teori mengingat travo yang mereka pakai untuk mencatu rangkaian ini adalah travo 49VAC non-CT.

Ini hampir mirip dengan power OCL dengan tegangan supply 34VDC simetris. Secara matematis, masih memungkinkan untuk menghasilkan output hingga 100W untuk beban 4 Ohm.

Namun karena OTL menggunakan kopling output Kapasitor yang memotong daya keluaran, maka tidak akan mencapai daya keluaran pada angka 100W.

MODIFIKASI POWER OTL 6 TRANSISTOR JVC

Modifikasi bisa kita lakukan dengan jalan mengganti transistor yang terpasang pada rangkaian dengan nomer baru yang tersedia di pasaran.

Schematic JVC lainnya juga ada di YOHAN FROM INDONESIA.

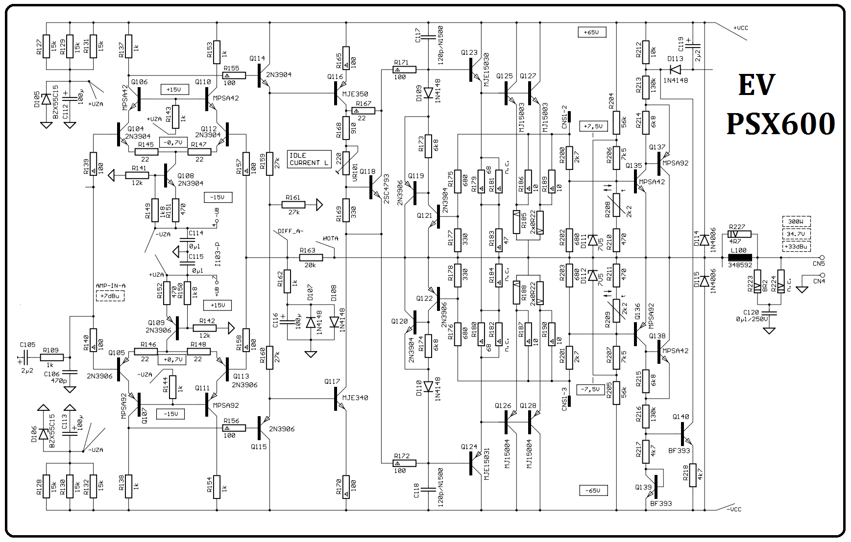
KLONING POWER SIMETRIS PSX600 ELECTROVOICE

Karena menggunakan transistor Final 2 set maka kita bisa membikin kloning power simetris PSX600 ELECTROVOICE lebih lengkap.

Namun dalam kloningan ini saya membikin transistor Final yang semula adalah nomer MJ15003 / MJ15004 saya ganti dengan nomer MJL21194/ MJL21193.

SCHEMATIC BAHAN

Ini adalah potongan skema dari ELECTROVOICE seri PSX600 setelah proses pangkas dan edit.

skema awal KLONING POWER SIMETRIS PSX600 ELECTROVOICE

X

KLONING RANGKAIAN POWER

Skema hasil modifikasi komponen transistor Final

SKEMA MODIFIKASI

Skema berubah seperti berikut:

skema gambar ulang KLONING POWER SIMETRIS PSX600 ELECTROVOICE

C

LAYOUT PCB

Setelah gambar selesai, maka saya buatkan Layout PCB nya.

PCB memakan tempat 20cm x 8 cm. Masih banyak spasi longgar.

Sedangkan penampakan PCB setelah terpasang semua komponen adalah seperti ini:

Scematic ELECTROVOICE lainnya juga ada di YOHAN FROM INDONESIA.

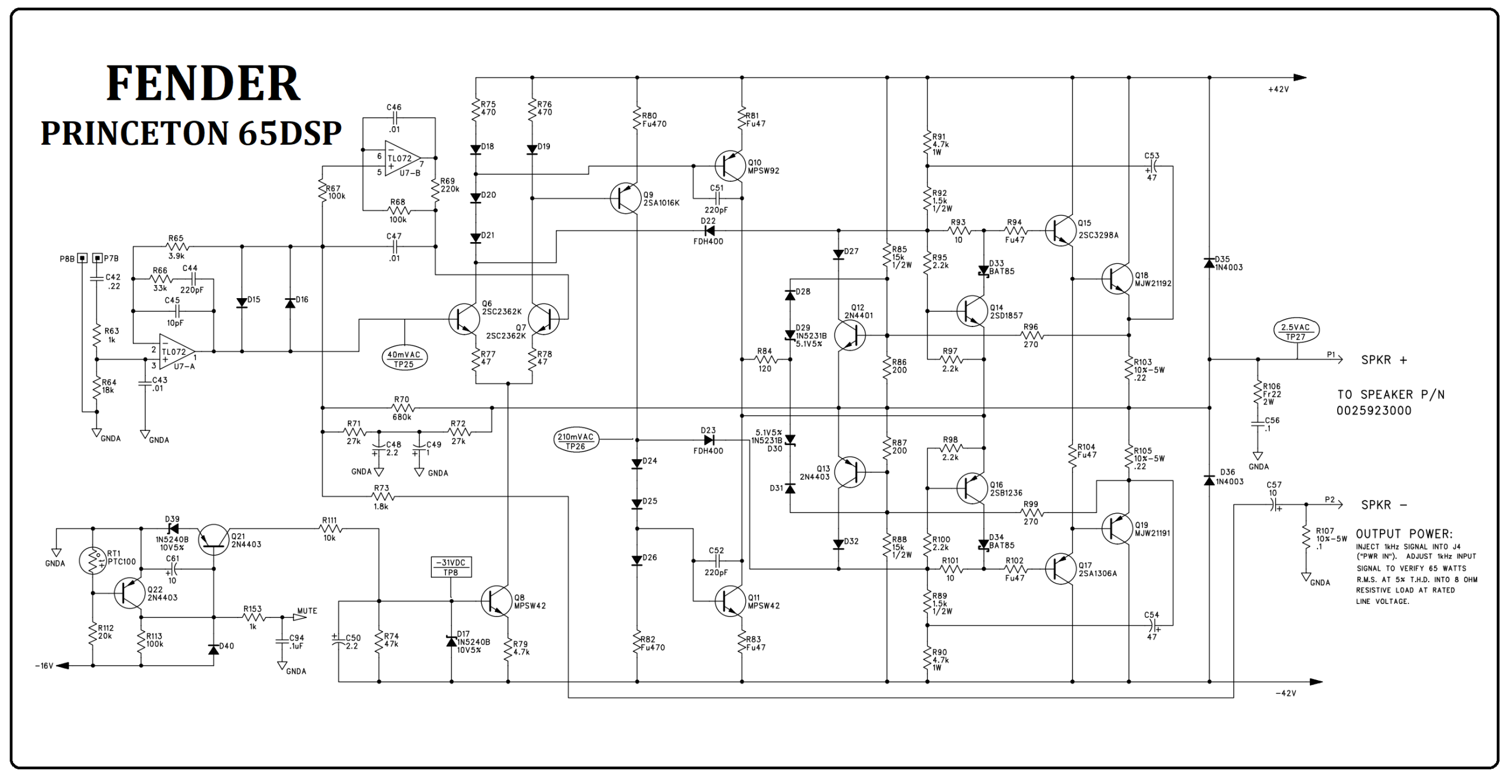
KLONING POWER DARLINGTON FENDER PRINCETON 112+

Kloning Power Darlington FENDER PRINCETON 112+ sepertinya masih memungkinkan karena harga transistor Darlington masih masuk kategori lumayan.

SKEMA AWAL

berikut adalah Potongan skema FENDER PRINCETON 112+

SKEMA AWAL Kloning Power Darlington FENDER PRINCETON 112+

Tegangan kerja rangkaian adalah 40 VDC simetris.

KLONING POWER DARLINGTON FENDER

Langkah untuk membikin kloningan rangkaian Power ini adalah dengan jalan menggambar ulang, simulasi tegangan DC, tes menggunakan sinyal Sinus 1kHz, pengukuran kosumsi arus listrik pada transistor Final, dan membikin Layout Rangkaian.

SKEMA GAMBAR ULANG POWER DARLINGTON FENDER

Ini adalah skema gambar ulang dari PRINCETON 112+.

skema KLONING POWER DARLINGTON FENDER PRINCETON 112+

Ada komponen pada bagian output Headphone yang tidak saya sertakan.Alasannya adalah agar kita lebih fokus dengan rangkaian kloning ini.

LAYOUT PCB

Selanjutnya hasil pembikinan Layout PCB menjadi seperi gambar di bawah ini.

layout KLONING POWER DARLINGTON FENDER PRINCETON 112+

Ukuran PCB adalah 10cm x 7cm.

Sedangkan penampakan setelah komponen yang terlibar dalam rangkaian telah terpasang adalah berikut ini.

penampakan KLONING POWER DARLINGTON FENDER PRINCETON 112+

Schematic FENDER lainnya tersedia di YOHAN FROM INDONESIA.

KLONING POWER QUASI 500W FENDER LONDON 185

Melakukan Kloning Power Quasi 500W FENDER LONDON 185 sepertinya bisa kita lakukan untuk rangkaian seri ini dengan jalan menaikkan tegangan dan modifikasi beberapa komponen.

SCHEMATIC DIAGRAM AWAL

Berikut potongan skema dari LONDON 185.

KLONING POWER QUASI 500W FENDER LONDON 185

Tegangan supply untuk rangkaian ini 50VDC simetris.

MODIFIKASI DAN KLONING POWER QUASI 500W FENDER LONDON 185

Modifikasi rangkaian Power menjadi lebih besar lagi bisa kita lakukan dengan cara:

  • Menaikkan tegangan supply semula 50VDC simetris menjadi 65VDC simetris,
  • Menambah transistor Final,
  • Menaikkan nilai GAIN dari rangkaian Power ini melalui jalan menaikkan resistor feedback dan resistor bias input Preamp,
  • Mengatur nilai resistor emitor pada Stabillizer arus Preamplifier.

Schematic Diagram FENDER lainnya juga ada di YOHAN FROM INDONESIA.

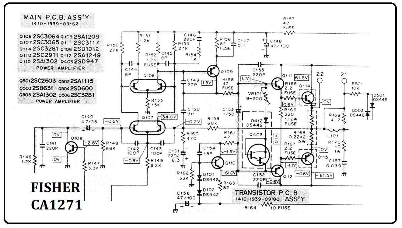
MODIFIKASI KLONING POWER OCL 62V FISHER CA1271

Modifikasi Kloning Power OCL 62V FISHER CA1271 meliputi mengganti transistor Preamp, modifikasi Servo Driver dan menaikkan daya keluar Power.

Semula rangkaian ini menggunakan tegangan supply 61,5VDC simetris dan menggunakan sepasang transistor Final nomer 2SC3281 / 2SA1302.

Rencananya akan kita naikkan ke tegangan 65VDC dan memakai 2 pasang transistor Final.

SCHEMATIC AWAL

Berikut adalah potongan skema untuk bahan kloning.

MODIFIKASI KLONING POWER OCL 62V FISHER CA1271

Dari skema ini kita bisa lihat bahwa transistor Preamp dan transistor translator menggunakan transistor 5 kaki.

Transistor jenis ini sulit kita peroleh di toko dan sekalipun ada maka harganya kena mahal. Ini kesempatan kita untuk mengganti dengan nomer umum dalam kloningan nanti.

Sementara itu transistor untuk Servo Driver yang memakai 2SD947F tipe Darlington ini akan kita ganti dengan nomer lain namun bukan Darlington.

KLONING POWER OCL 62V FISHER CA1271 DAN MODIFIKASI SKEMA

X

SKEMA MODIFIKASI VERSI 65V

Di bwah ini adalah sebuah skema hasil modifikasi. Menggunakan tegangan 65VDC simetris dengan menggunakan 2 set transistor.

Transistor preamp dan translator yang semula adalah transistor dengan bentuk opto kopler ini saya ganti dengan 2 buah transistor 2Sc2240.

Sedangkan transistror Servo Driver saya ganti dengan MJE340 dan ada tambahan trimpot untuk setting tegangan bias bagi transistor Final.

Transistor VAS ganti dengan MJE350,

Driver Amplifier pindah ke 2SC2073 / 2SA940, dan

Final Power menggunakan 2SC5200 / 2A1943.

LAYOUT PCB

Hasil rancangan PCB setelah proses gambar ulang menjadi seperti berikut ini:

Luas PCB adalah 10cm x 9 cm dan lumayan padat.

PENAMPAKAN RANCANGAN KLONING POWER OCL 62V

Penampakan kloningan setelah komponen terpasang kemungkinan akan seperti berikut ini.

Schematic FISHER lainnya juga ada di YOHAN FROM INDONESIA.