Menyederhanakan rangkaian Power FENDER FM212R adalah membikin rangkaian modifikasi dari Power Ampli ini lebih simple namun tetap handal.
SKEMA AWAL
Berikut potongan skema FM212R

h
Schematic Diagram FENDER juga ada di YOHAN FROM INDONESIA
Menyederhanakan rangkaian Power FENDER FM212R adalah membikin rangkaian modifikasi dari Power Ampli ini lebih simple namun tetap handal.
Berikut potongan skema FM212R

h
Schematic Diagram FENDER juga ada di YOHAN FROM INDONESIA
Kloning Power Darlington FENDER PRINCETON 112+ sepertinya masih memungkinkan karena harga transistor Darlington masih masuk kategori lumayan.
berikut adalah Potongan skema FENDER PRINCETON 112+

Tegangan kerja rangkaian adalah 40 VDC simetris.
Langkah untuk membikin kloningan rangkaian Power ini adalah dengan jalan menggambar ulang, simulasi tegangan DC, tes menggunakan sinyal Sinus 1kHz, pengukuran kosumsi arus listrik pada transistor Final, dan membikin Layout Rangkaian.
Ini adalah skema gambar ulang dari PRINCETON 112+.

Ada komponen pada bagian output Headphone yang tidak saya sertakan.Alasannya adalah agar kita lebih fokus dengan rangkaian kloning ini.
Selanjutnya hasil pembikinan Layout PCB menjadi seperi gambar di bawah ini.

Ukuran PCB adalah 10cm x 7cm.
Sedangkan penampakan setelah komponen yang terlibar dalam rangkaian telah terpasang adalah berikut ini.

Schematic FENDER lainnya tersedia di YOHAN FROM INDONESIA.
Melakukan Kloning Power Quasi 500W FENDER LONDON 185 sepertinya bisa kita lakukan untuk rangkaian seri ini dengan jalan menaikkan tegangan dan modifikasi beberapa komponen.
Berikut potongan skema dari LONDON 185.

Tegangan supply untuk rangkaian ini 50VDC simetris.
Modifikasi rangkaian Power menjadi lebih besar lagi bisa kita lakukan dengan cara:
Schematic Diagram FENDER lainnya juga ada di YOHAN FROM INDONESIA.
Karena rangkaian yang lumayan ringkas maka saya tertarik untuk membikin kloning power FENDER Darlington ROC PRO700 dengan modal yang terjangkau.
Berikut potongan skema dari FENDER ROC PRO700 yang saya ambil dari Servis Manualnya:

Rangkaian ini lumayan sederhana karena seperti hanya bermodalkan IC dan transistor Final saja.
Karena itu ada peluang untuk bisa kita lakukan kloning.
Beberapa langkah untuk membikin kloning power Fender Darlington ini adalah berikut:
Selanjutnya kita lakukan gambar ulang atas rangkaian ini.

Selanjutnya dari hasil gambar ulang ini kita merancang Layout PCB.

Penampakan PCB akan seperti berikut:

Schematic Diagram FENDER lainnya juga ada di YOHAN FROM INDONESIA.
Modifikasi Power FENDER PRINCETON 65DSP dengan target menaikkan Power Output bisa kita lakukan dengan jalan menaikkan supply dan mengubah beberapa komponen.
Potongan skema PRINCETON 65DSP:

x
Modifikasi yang bisa kita lakukan adalah:
Schematic FENDER lainnya juga ada di YOHAN FROM INDONESIA.
Modifikasi rangkaian Power FENDER DELUXE 90 di sini adalah melakukan modifikasi preamplifier dan menaikkan daya keluar ampli hingga 300W.
Berikut ini adalah potongan skema FENDER DELUXE 90 untuk bahan modifikasi.

V
Skema FENDER lainnya ada di YOHAN FROM INDONESIA.
MJW21192-MJW21191Membikin kloningan Power Darlington FENDER ROC PRO1000 sepertinya bisa kita lakukan dengan jalan mengubah transistor Darlington menjadi transistor biasa.
Berikut potongan skema dari FENDER ROC PRO1000

Tegangan Supply pada rangkaian ini adalah 40VDC.
Berikut adalah hasil gambar ulang rangkaian Power ini:

Selanjutnya hasil Layout PCB adalah seperti ini:

Penampakan Modul power setelah terpasang semua komponen menjadi seperti gambar di bawah ini:

Schematic Diagram lainnya ada di YOHAN FROM INDONESIA.
Karena rangkaian ini terlalu kompleks maka saya hanya bisa meneliti Power kelas H FENDER BASSMAN 1200 ini.
Peluang untuk membikin kloningannya adalah sangat kecil karena biaya pembuatan yang lebih mahal daripada kloningan lainnya.
Berikut adalah potongan skema Power buatan FENDER ini:

Dengan supply VL 47VDC dan VH sebesar 94VDC maka rangkaian ini berpotensi menghasilkan output hingga 66Vrms pada beban 4 Ohm.
Ini berarti akan ada daya sebesar 1100W pada beban 4 Ohm.
Angka ini masih masuk logika karena daya dari transistor Final 2SC3263 adalah hingga 130W menurut DATASHEETS.
Saya kurang yakin dengan rencana Kloning Power kelas H ini karena alasan komponen yang banyak dan melibatkan banyak transistor Final.
Jelas memerlukan anggaran biaya yang tidak sedikit.
Schematic FENDER lainnya ada di YOHAN FROM INDONESIA
Kloning Power FENDER BASSMAN 60 kita lakukan dengan jalan menggambar ulang, mengubah spek transistor dan menguji secara simulasi dan prototype.
Berikut adalah skema awal sebagai bahan kloning BASSMAN 60:


Berikut ini adalah schematic Diagram kloning dari BASSMAN 60.

Tambahan:
Saya tambahkan fitur komponen Pass Filter untuk nada masuk Treble dan Bass pada input hingga masuk ke basis transistor Preamplifier.
Jika menginginkan rangkaian ini adalah FLAT seperti aslinya maka resistor R1 yang semula adalah 1M silahkan anda ganti dengan 1K.
Fitur Peak monitor saya buang dengan jalan menghilangkan transistor yang inputnya adalah dari kolektor Q1 dan kolektor Q6
Skema FENDER lainnya juga ada di YOHAN FROM INDONESIA.
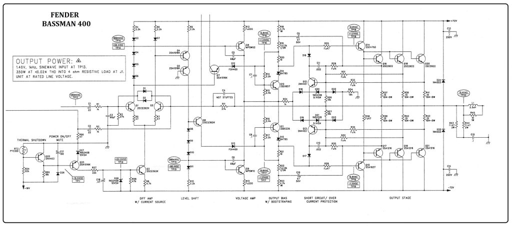
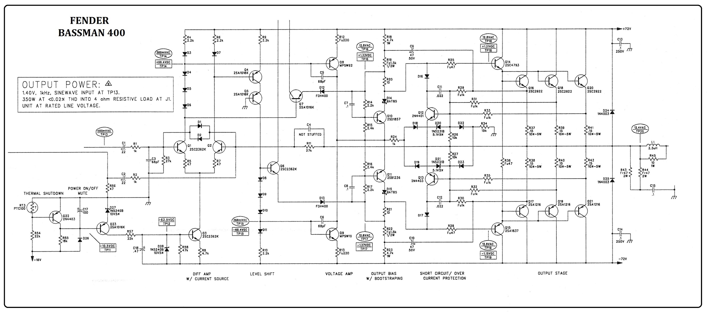
Membikin Kloning Driver FENDER BASSMAN 400 bisa kita lakukan dengan jalan menggambar ulang rangkaian, simulasi, membikin layout PCB serta membikin Modul Prototype-nya .
Berikut ini adalah potongan rangkaian Power Amplifier BASSMAN 400

h
Beberapa transistor ada yang saya hilangkan untuk membikin rangkaian ini lebih sederhana.
Schematic Diagram FENDER juga ada di YOHAN FROM INDONESIA.