KLONING POWER SIMETRIS PSX600 ELECTROVOICE

Karena menggunakan transistor Final 2 set maka kita bisa membikin kloning power simetris PSX600 ELECTROVOICE lebih lengkap.

Namun dalam kloningan ini saya membikin transistor Final yang semula adalah nomer MJ15003 / MJ15004 saya ganti dengan nomer MJL21194/ MJL21193.

SCHEMATIC BAHAN

Ini adalah potongan skema dari ELECTROVOICE seri PSX600 setelah proses pangkas dan edit.

skema awal KLONING POWER SIMETRIS PSX600 ELECTROVOICE

X

KLONING RANGKAIAN POWER

Skema hasil modifikasi komponen transistor Final

SKEMA MODIFIKASI

Skema berubah seperti berikut:

skema gambar ulang KLONING POWER SIMETRIS PSX600 ELECTROVOICE

C

LAYOUT PCB

Setelah gambar selesai, maka saya buatkan Layout PCB nya.

PCB memakan tempat 20cm x 8 cm. Masih banyak spasi longgar.

Sedangkan penampakan PCB setelah terpasang semua komponen adalah seperti ini:

Scematic ELECTROVOICE lainnya juga ada di YOHAN FROM INDONESIA.

KLONING POWER OCL 82V 800W ELECTROVOICE PSX1600

Kloning power OCL 82V 800W ELECTROVOICE PSX1600 adalah catatan tentang simulasi, Layout PCB untuk sebuah Power buatan ELECTROVOICE seri PSX1600.

Saya pernah menulis artikel tentang Power ini DI SINI.

SKEMA AWAL

berikut adalah potongan skema dari Power ELECTROVOICE seri PSX1600.

KLONING POWER OCL 82V 800W ELECTROVOICE PSX1600

v

GAMBAR ULANG

X

DC TES

X

AC TES

Selanjutnya kita beri sinyal input pada rangkaian gambar ulang ini.

Frekwensi adalah 1kHz dengan bentuk sinyal berupa sinus murni.

Input paling optimal ternyata adalah 8,2 Vp-p atau sekitar 2,9Vrms.

Berarti Power Amplifier ini memerlukan sinyal input level besar agar bisa mencapai output maksimum.

BEBAN 4 OHM

Ketika rangkaian ini kita hubungkan dengan resistor 4 Ohm, maka nampak bahwa rangkaian Power ini mengeluarkan arus hingga 13,9A dan ada beda potensial hingga 55,6VAC.

Saya rasa ini adalah output paling optimal untuk rangkaian ini.

KLONING POWER OCL 82V ELECTROVOICE

Setelah skema dan hasil simulasi kita anggap tidak ada masalah, maka kita sudah bisa merancang PCB untuk rangkaian ini.

LAYOUT PCB

PCB ini berukuran 20cm x 8 cm dan lumayan padat.

PENAMPAKAN 3D

Penampakan modul setelah pemasangan komponen akan seperti berikut ini:

Melihat schematic ELECTROVOICE lainnya juga ada di YOHAN FROM INDONESIA.

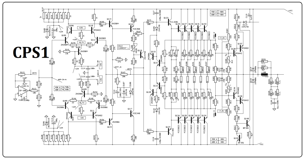
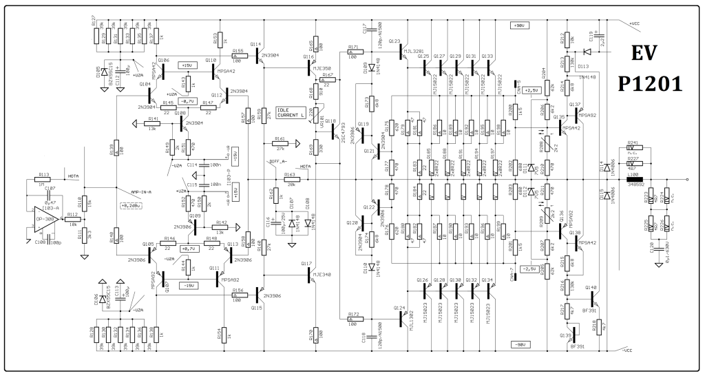
KLONING DRIVER 1200W ELECTROVOICE MANTUL

Kloning Driver 1200W ELECTROVOICE ini mengarah pada sebuah produk Power Amplfiier buatan ELECTROVOICE seri P1201.

P1201 bermakna Power Amplifier dengan kekuatan 1x 1200W atau Power Tunggal.

SKEMA AWAL

Berikut adalah potongan skema dari P1201 setelah beberapa fitur saya buang untuk mempermudah mempelajari rangkaian ini.

skema awal KLONING DRIVER 1200W ELECTROVOICE

Dalam schematic nampak menggunakan 5 set transistor Final. Namun dalam kloningan Power ini hanya saya bikin sampai tingkat Driver saja.

DC TES

Hasil DC tes tidak ada permasalahan

dc tes KLONING DRIVER 1200W ELECTROVOICE

AC TES

C

tes sinyal KLONING DRIVER 1200W ELECTROVOICE

F

SKEMA AKHIR KLONING DRIVER 1200W

C

skema kloning driver KLONING DRIVER 1200W ELECTROVOICE

LAYOUT PCB

Setelah skema gambar ulang selesat, maka saya mencoba untuk membikin rancangan Layout PCB dari rangkaian ini.

Penampakan kurang lebih seperti gambar ini:

layout KLONING DRIVER 1200W ELECTROVOICE

HASIL TAMPILAN SIMULASI 3D

Berikut adalah gambar rancangan Modul Kloning Power Amplifier ini setelah pemasangan komponen.

3D KLONING DRIVER 1200W ELECTROVOICE

Untuk melihat Schematic Diagram ELECTROVOICE lainnya juga tersedia di YOHAN FROM INDONESIA.

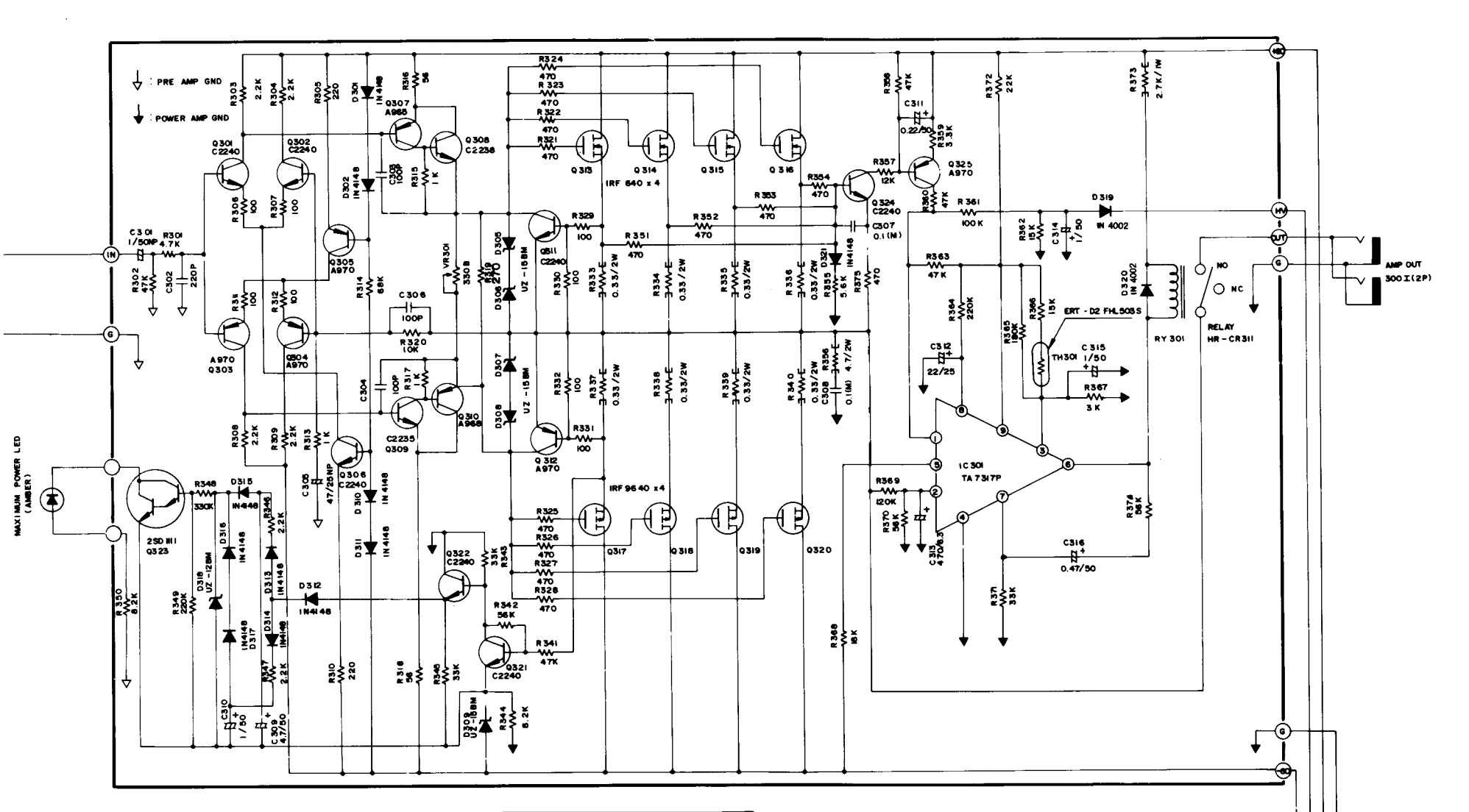
POWER MOSFET DENGAN 4 SET IRF640 IRF9640

Power MOSFET dengan 4 set IRF640 IRF9640 bisa menjadi tantangan tersendiri bagi anda yang tidak terbiasa merakit Power Amplifier dengan komponen efek medan ini.

Skema rangkaian ini saya peroleh dari sebuah Mixer dengan Power Amplfiier di dalamnya buatan ELECTROVOICE.

SCHEMATIC POWER MOSFET BUATAN ELECTROVOICE

Schematic Power Amplifier ini berasal dari sebuah Servis Manual milik Power merk ELECTROVOICE seri 81PMX.

skema awal POWER MOSFET DENGAN 4 SET IRF640 IRF9640

Tegangan supply untuk ini sekitar 56VDC. Menggunakan 4 set MOSFET nomer IRF640 berpasangan dengan IRF9640.

Rencananya dalam kloningan ini hanya rangkaian utamanya saja yang saya gambar ulang. Sedangkan untuk fitur speaker Protector dan Sensor Peak / Maximum Power tidak saya gambar ulang.

NOMER TRANSISTOR

Komponen transistor yang terlibat dalam rangkaian ini adalah berikut:

  • Preamplifier: Q301, Q302, Q303, Q304: C2240, A970
  • Sumber arus stabil untuk preamp: Q305, Q306: A970, C2240
  • Penguat Tegangan: Q307, Q308, Q309, Q310: A965, C2235
  • Pembatas Arus transistor Final: Q311, Q312 : C2240, A970
  • Final Amplifier: Q313 s/d Q320: IRF640, IRF9640
  • Peak Detektor: Q321, Q322: C2240
  • Peak Indikator: Q323: D1111
  • Detektor arus lebih: Q324, Q325: C2240, A970

Komponen lain:

Speaker Protektor: IC301: TA7317P

SPEK KOMPONEN

Spek transistor pendukung rangkaian ini:

Nomer: Type, P_dc, Vce_Max, Ic_Max, hfe, FILE

MODIFIKASI RANGKAIAN POWER MOSFET 81PMX

Rangkaian awal di atas selanjutnya saya gambar ulang untuk membikin kloningan Power MOSFET ini. Selanjutnya kita tes tegangan DC dan memberi sinyal sinus untuk memastikan gambar ini telah benar.

Setelah tes DC dan AC berhasil maka gambar rangkaian modifikasi ini bisa menjadi modal untuk membikin Layout PCB-nya.

SCHEMATIC DIAGRAM GAMBAR ULANG

Versi gambar ulang setelah membuang fitur yang tidak diinginkan menjadi seperti di bawah ini:

gambar ulang POWER MOSFET DENGAN 4 SET IRF640 IRF9640

Nampak kalau rangkaian Power ini adalah Power jenis simetris.

LAYOUT PCB

R

Penampakan secara 3 Dimensi adalah seperti di bawah ini:

Schematic ELECTROVOICE lainnya ada di YOHAN FROM INDONESIA

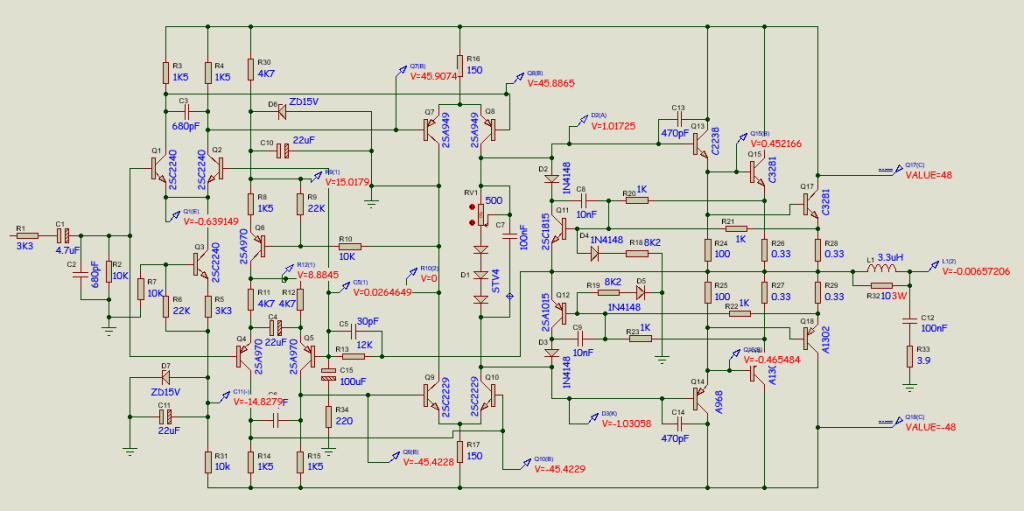
OCL SIMETRIS 200W ELECTROVOICE 7200

OCL simetris 200W ELECTROVOICE 7200 menggunakan tegangan supply 48VDC simetris dan 2 set transistor SANKEN.

ELECTROVOICE adalah merk audio terkenal sejak 90 tahun lalu atau sejak 1927 lalu. Di dunia audio, ELECTROVOICE terkenal dengan produk Microphone dan Speaker.

Namun seiring berkembangnya waktu, Brand ini telah membikin macam-macam piranti audio seperti Amplifier.

Rencana Kloning kali ini adalah sebuah Power Amplifier dengan seri 7200 yang terkenal pada era 90-an lalu,

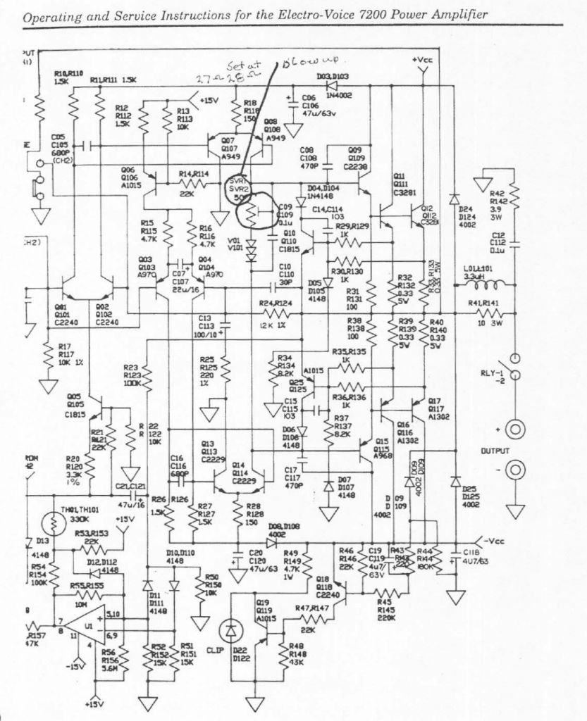
SCHEMATIC DIAGRAM

Berikut adalah potongan skema dari EV7200 setelah proses edit:

OCL SIMETRIS 200W ELECTROVOICE 7200

Dari sini nampak jika rangkaian ini berjenis simetris amplifier.

Tegangan supply yang mereka pakai adalah 48VDC dan menggunakan 2 set transistor Final.

Blok rangkaian ini adalah:

  • Preamplifier,
  • Penguat Tegangan / Voltage Amplifier Stages,
  • pembatas Arus / Over Current Protection,
  • Driver Amplifier, dan
  • Final Power Amplifier.

Preamplifier rangkaian ini ada pada Q01, Q02, Q03 dan Q04. Mereka menggunakan pasangan transistor C2240 dan A970.

Sementara itu Q05 dan Q06 adalah sebagai sumber arus stabil bagi rangkaian Preamplifier.

GAIN rangkain ini tergantng dari resistor feedback R24 (12K) terhadap resistor input R25 (220).

Q7, Q8, Q13 dan Q14 bertugas sebagai Penguat Tegangan bagi preamplifier.

Rangkaian ini tidak memiliki Servo Driver. Ia menggunakan Diode V01 (STV4) dan menggunakan trimpot untuk mengatur tegangan bias bagi transistor Final Amplifier.

Q10 dan Q25 bertugas sebagai limiter Arus dengan jalan mencuplik tegangan pada resistor emitor transistor Final. Ketika ada arus besar sekali maka tegangan pada Resistor emitor R32, R33, R39 dan R40 menjadi naik.

Kenaikan ini jika menyentuh ambang batas tegangan Basis emitor dari Q10 maupun Q25 maka transistor ini akan melakukan drop tegangan pada titik basis transistor Driver.

Driver Amplifier pada rangkaian ini adalah Q09 dan Q15.

Final Power Amplifier adalah Q11, Q12, Q16 dan Q17.

SPEK TRANSISTOR

Nomer, Type, Pdc, Vce_Max, Ic_Max, hfe, FILE

  • 2SC2240, NPN, 300mW, 120V, 100mA, 200X – 700X, DATASHEETS
  • 2SA970, PNP, 300mW, -120V, -100mA, 200X – 700X, DATASHEETS
  • 2SA949, PNP, 800mW, -150V, -50mA, 70X – 240X, DATASHEETS
  • 2SC2229, NPN, 800mW, 150V, 50mA, 70X – 240X, DATASHEETS
  • 2SC1815, NPN, 400mW, 50V, 150mA, 70X – 700X, DATASHEETS
  • 2SA1015, PNP, 400mW, -50V, -150mA, 70X – 700X, DATASHEETS
  • 2SC2238, NPN, 25W, 160V, 1.5A, 70X – 240X, DATASHEETS
  • 2SA968, PNP, 25W, -160V, -1.5A, 70X – 240X, DATASHEETS
  • 2SC3281, NPN, 150W, 200V, 15A, 55X – 160X, DATASHEETS
  • 2SA1302, PNP, 150W, -200V, -15A, 55X – 160X, DATASHEETS

SIMULASI RANGKAIAN

Hasil simulasi rangkaian Power ini menunjukkan bahwa rangkaian ini bekerja normal pada tegangan supply 48VDC.

Ini berarti gambar ulang rangkaian ini telah benar dan siap untuk kita kloning maupun modifikasi.

simulasi OCL SIMETRIS 200W ELECTROVOICE 7200

Tegangan output ke speaker menunjukkan angka yang normal. Demikian pula dengan tegangan pada basis transistor final dan basis transistor Driver.

Pada rangkaian ini saya membikin rangkaian Drop tegangan 48V ke 15V. Tujuannya hanya untuk membikin tegangan 15V simetris semata.

SKEMA FINAL

Schematic Diagram rangkaian ini bisa anda pakai untuk kepentingan kloning maupun penelitian.

Skema ELECTROVOICE lainnya juga ada di YOHAN FROM INDONESIA.

MEMBIKIN KLONING DRIVER 90V CPS1

Membikin Kloning Driver 90V CPS1 adalah sebuah ide rancangan yang berasal dari Schematic Diagram Power ELECTROVOICE seri CPS1.

SCHEMATIC AWAL KLONING DRIVER 90V CPS1

skema awal KLONING DRIVER 90V

v

Schematic ELECTROVOICE lainnya dalam BLOG ini KLIK SINI.

skema ELECTROVOICE lainnya juga ada di YOHAN FROM INDONESIA.