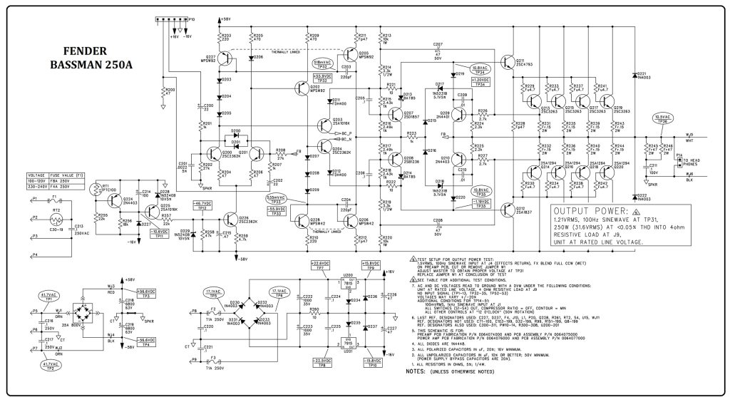
Membikin Kloning Driver FENDER BASSMAN 400 bisa kita lakukan dengan jalan menggambar ulang rangkaian, simulasi, membikin layout PCB serta membikin Modul Prototype-nya .
SCHEMATIC AWAL
Berikut ini adalah potongan rangkaian Power Amplifier BASSMAN 400

h
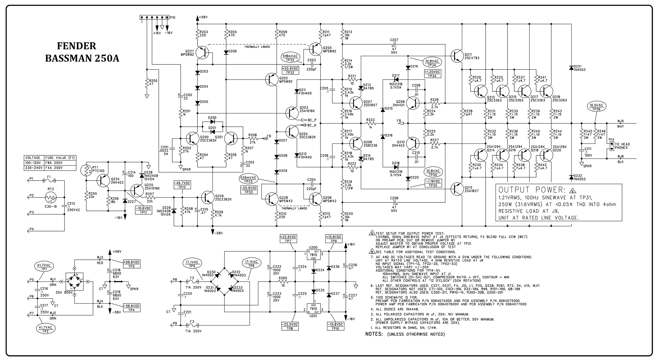
MODIFIKASI KLONING DRIVER FENDER BASSMAN
Beberapa transistor ada yang saya hilangkan untuk membikin rangkaian ini lebih sederhana.
Schematic Diagram FENDER juga ada di YOHAN FROM INDONESIA.
